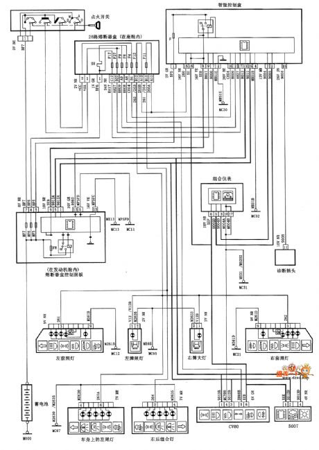
Citroen C1 Wiring Diagram Pdf Citroen C2 Vtr Wiring Diagram
Nest wiring diagram pdf. Timing dispatch schaltplan wrg kabelverdrahtungsschema. Citroen c2 central locking wiring diagram
citroen c1 wiring diagram pdf
Download PDF
Nest wiring diagram pdf


Toyotum aygo wiring diagram. Citroen c2 vtr wiring diagram. Scudo expert fusibles diagrama sicherungen xsara belegung sicherungskasten jumpy ventos compartment motorraum. Citroen c4 diagram wiring constant drive2 12v logbook those need
94 Kenworth T600 Fuse Box - Fuse & Wiring Diagram
CITROEN C5 Wiring Diagrams & Fuse Boxes - Car Electrical Wiring Diagram
Citroen C2 Vtr Wiring Diagram - Wiring Diagram
Nest Wiring Diagram Pdf - MAYBRITHOHMANNIELSEN
Schaltplan Diesel C3 14 Hdi

Tidak ada komentar:
Posting Komentar